
120A触点分断能力 三相磁保持继电器 符合RoHS 符合IEC62055-31UC3标准
适用于预付费电表及集中抄表系统,复合开关,无功补偿装置及其它自动化控制。
基本特性 Speciality:
线圈脉冲设置宽度Coil pulse width | 50msec. Min | |
动作时间Operation time | 30msec. Max | |
复归时间Comeback time | 30msec. Max | |
介质耐压Dielectric strength | 触点与线圈间: Between coil& contact | 4000VAC (50/60Hz) for 1 min |
断开触点间: Between contacts | 2000VAC (50/60Hz) for 1 min | |
绝缘电阻Insulation resistance | Min.1000MΩ (500VDC) | |
环境温度 Ambient temp | -40℃~+70℃ | |
重量 Weight | 230g | |
引出端方式 Quick connect | PCB&QC | |
封装形式 Plastic sealed dusted proof | 塑封、防尘 | |
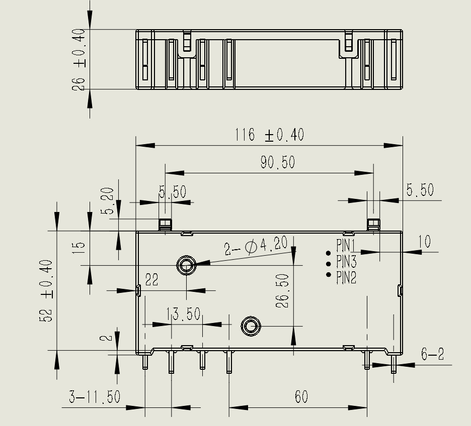
外形尺寸不含输出端子Size(mm) Output terminal (mm) not included in profile size | 116 x 52 x 26 | |
触点特性 Contact specification
触点形式 Contact form | 3A 3B |
触点材料Contact material | AgSnO2, |
接触电阻Contact resistance | 0.6mΩ Max.(12VDC 1A) |
额定负载Contact current(Cosφ=1) | 120A 250VAC |
最大断开电压MAX disconnection voltage | 440VAC / 110VDC |
最大断开功率MAX disconnection power | 30000VA |
额定负载电气寿命(阻性)Electrical life | 5×103cycles |
额定负载电气寿命(感性)Electrical life | 5×103cycles |
机械寿命Mechanical life | 1×105cycles |
线圈参数Coil specification:
额定电压(VDC) Rated Voltage | 吸合、释放电压(VDC) Suction and Release Voltage | 脉沖宽(ms) Pulse Width | 线圈电阻(Ω)±10% Coil Resistance(_)+10% | |
6V | ≤4.2 | ≥50ms | 双线圈 TwinCoil | 2ΩX7.5 |
9V | ≤6.3 | 2ΩX17 | ||
12V | ≤8.4 | 2ΩX28.5 | ||
6V | ≤4.2 |
≥50ms | 单线圈 Unicoil | 15Ω |
9V | ≤6.3 | 34Ω | ||
12V | ≤8.4 | 57Ω | ||
尺寸简图 及 安装尺寸 Installation Size(mm)

接线图 Connection Diagram:

注意事项 Application Notes
1. 所有继电器在出厂时都设为闭合状态。在装运或组装的过程中继电器可能会变成释放的状态。因而使用时(电源接入时)请根据需要重新将其设置为复归状态。
2. 为了使继电器保持在吸合或释放的状态,线圈电压需达到额定电压,为确保磁保持继电器动作或复归脉冲宽度小于50ms。不要向线圈上的Pin1和Pin2施加电压超过一分钟以上,以防线圈损坏。
3. 继电器有极性区分,用户需指明属于何种极性。
4. 继电器入厂检验及使用轻拿轻放,防止损坏影响参数,入厂做破坏性检查的产品要与正常产品严格区分标识,不得装机使用。
5. 非带铜绞线的继电器,负载引脚不能焊锡,引脚针刚性固定,不能随意扭动。
1. All the relays are shipped in the "operate" position because it is possible that during transit or final assembly the relay could change its state to the "release" position. please reset the relay into "operate" state when put in circuit according to need.
2. In order to maintain "operate" or "release" state of the relay, the coil voltage should reach the rated voltage. The pulse width should be 60ms or longer to ensure a proper change of state. Do not enegize both Pin1 and Pin2 at the same time on the coil for longer than 1 min (damage to the coil).
3. Relays are classified according to the polarity, if client need different form from information, please contact us.
4. The relay into the factory for destructive inspection should be protected from damage and strict distinction between the normal products.
5. Now with braided line relay, the load pin can not solder, not arbitrarily wrenched, two pins and righid fixation.
| 参数 (Parameter) | 值 (Date) |
|---|---|
| 触点材料(Contact material) | AgSnO2 |
| 接触电阻(Contact resistance) | 0.5mΩ MAX.(12VDC 1A) |
| 额定负载((Contact currentt) | 120A/250VAC |
| 最大断开电压 (Max disconnection voltage) | 440VAC/110VDC |
| 最大断开功率 (Max disconnection power) | 30000VA |
| 电气寿命(Electrical life) | 5000 cycles |
| 机械寿命(Mechanical life) | 100000 cycles |
| 参数 (Parameter) | 值 (Date) | |
|---|---|---|
| 线圈脉冲设置宽(Coil pulse width) | 50ms Min. | |
| 动作时间(Operation time) | 30ms Max. | |
| 复归时间(Comeback time) | 30ms Max. | |
| 介质耐压 (Dielectric strength) | 触点与线圈间 (Between contact & coil) | 4000VAC (50/60Hz) for 1 mi |
| 断开触点间 (Between contacts) | 2000VAC (50/60Hz) for 1 min | |
| 绝缘电阻(Insulation resistance) | Min.1000MΩ(at 500VDC) | |
| 环境温度(Ambient temp) | -40~+70℃ | |
| 重量(Weight) | 230g | |
