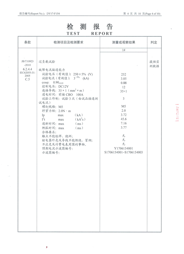
4 908C Test Report - 广西睿奕科技开发有限公司 GUANGXI RAMWAY TECHNOLOGY CO LTD latching relay magnetic relay
qualification documents 908C Test Report

 

DOWNLOAD
Return
News
Products
Services
Qualification
About
广西睿奕科技开发有限公司 GUANGXI RAMWAY TECHNOLOGY CO LTD latching relay magnetic relay © All Rights Reserved.