4

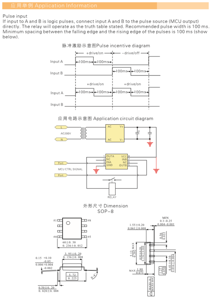
8023S/8023D Relay driver IC RY8023 is a bi-direction relay driver. The near zero standby current and a maximum of 800mA driving current make it suitable for applications such as electric energy meter and other application where low standby current and high driving current is needed .
