4

Switching current:90A With hand-hold function Small size,low consumption RoHS,IEC62055-31 UC2 Short bounce time(special version)
For Prepayment energy Meter and AMR system Combination switch, reactive power compensation devices and automatic control.Short bounce time(special version)
Contact form:1A&1B
Terminal type:PCB
Humidity :98%RH,+40℃
Coil polarity: Positive/Negative
Vibration resistance: 10-55Hz, 1.5mm (DA)
Coil voltage:6/9/12V
Connecting form: A/B/C/D/ECoil
type: Single coil latching/Dual coil latching
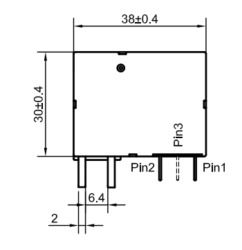
Size(mm):38*30*16.5
Key Characteristics
![]() | .Switching current:90A / 100A .With hand-hold function .Small size, low consumption .RoHS,IEC62055-31 UC2 UC3 (TUV) .Reliable long-term operation in meter circuits
|
![]() | ![]() |
Basic parameter
| Coil pulse width | 50ms Min |
| Operatino time | 20ms Max. |
| Comeback time | 20ms Max. |
Dielectric strength (50/60Hz) | Between coil &contact 4000VAC/min |
| Between contacts 1800VAC/min | |
| Insulation resistance | Min.1000MΩ(500VDC) |
| Ambient Temp. | -40℃~+85℃ |
| Weight | 41g / 55g |
| Terminal type | see drawing as client design |
| Package | Standard Export Carton(40x35x35 cm) inner boxes(19x16x6/12 cm) |
| Size(mm) | 38*30*16.5/18.5 |
Contact parameter
| Contact form | 1A 1B |
| Contact material | Silver Alloy |
| Contact resistance | 0.8mΩ Max.(12VDC 1A) |
| Contact current (CosΦ=1) | 90A / 100A 250VAC |
| Max disconnection voltage | 440VAC/110VDC |
| Max disconnection power | 22,500VA /25000VA |
| Electrical life | 5,000 cycles (load) resistive / 5,000 cycles sensual |
| Mechanical life | 1*105 cycles |
Coil parameter
| Rated Voltage | Resistance±10%(Ω) | Rated power of the coil(w) | Rated Voltage(VDC) | |
| Single | Dual | |||
| 6 | 24 | 12*2 | 1.06 | ≤70%
Rated voltage |
9 | 54 | 27*2 | 1.5 | |
| 12 | 96 | 48*2 | 1.5 | |
| 24 | 384 | 192*2 | 1.5 | |
Installation size 903C(90A)

Installation size 903C(100A)
![]() | ![]() |
Our certificate
Ramway acts in accordance to ISO 9001 : 2015. The products have UC2, UC3 ( IEC62055-31 standard ) certification are recognized by TUV, and CE certificated. Complied with EU ROHS

| Parameter | Date |
|---|---|
| Contact material | AgSnO2 |
| Contact resistance | Max.0.8mΩ(12VDC 1A) |
| Contact currentt | 90A/250VAC |
| Max disconnection voltage | 440VAC/110VDC |
| Max disconnection power | 22500VA |
| Electrical life | 10000 cycles |
| Mechanical life | 300000 cycles |
| Parameter | Date | |
|---|---|---|
| Coil pulse width | Min. 50ms | |
| Operation time | Max. 20ms | |
| Comeback time | Max. 20ms | |
| Dielectric strength | Between contact & coil | 4000VAC 1min |
| Between contacts | 1800VAC 1min | |
| Insulation resistance | 1000MΩ(at 500VDC) | |
| Ambient temp | -40~+70℃ | |
| Weight | 41g | |
